Home > AC Power Module > NEMA 5-15R Receptacle > Two-channel Control IoT AC Power Relay Module for Arduino Raspberry Pi PLC MCU
1/1
Share:
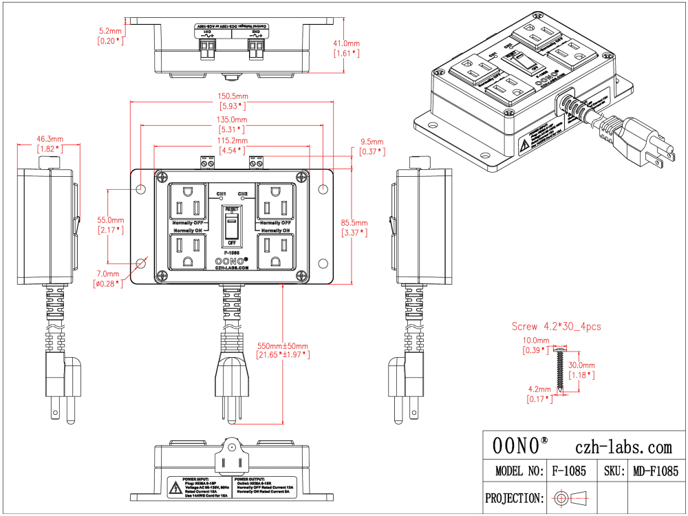
Two-channel Control IoT AC Power Relay Module for Arduino Raspberry Pi PLC MCU
SKU: F-1085
$60.00
$60.00
1/1
